-
-
产品中心
专业从事于电子连接器的研发、生产、销售,产品广泛应用于电脑、汽车、医疗,以及手机等通讯产品及其周边设备。
产品中心
-
产品中心
PRODUCT CENTER
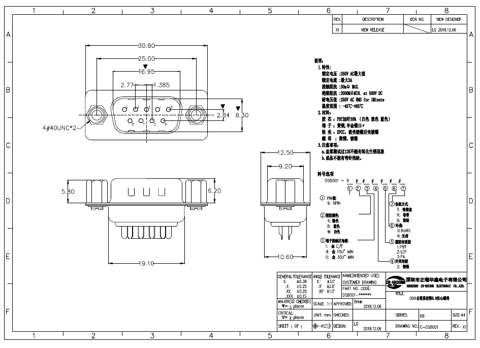
C-DSB001
时间:2022-08-17 16:24
机种系列 : OTHER 系列
料号 :C-DSB001
产品规格 :DB9公简易前铆5.8实心螺母
包装方式 :盘装
商品外包装尺寸 : 31.5*26*26CM
料号 :C-DSB001
产品规格 :DB9公简易前铆5.8实心螺母
包装方式 :盘装
商品外包装尺寸 : 31.5*26*26CM
产品详情
| 原产地: | 广东,深圳 |
| 品牌: | ZR-HX |
| 使用温度范围: | -55℃ to+85℃ |
| 额定负荷: | AC 30V 1.0A |
| 接触阻抗: | 30mΩ max |
| 绝缘阻抗: | 100~1000mΩ min |
| 耐压: | 100~500V AC |
| 插拔力: | 3N~35N |
| 寿命: | 500/3000 cycles min |
| 盐雾: | 24H~48H |
关注官方微信公众号
或搜索“正瑞-华鑫”
更多精彩等着你!
罗建华:
13802229129
mail:jhluo@zr-hx.com
薛亚峰:
13713610367
mail: brian_xue@zr-hx.com
董姣姣
15817201583
E-mail:JiaoJiaoDong@zr-hx.com
地址:深圳市龙岗区坪地街道年丰社区新丰二路一巷1号102-201